Генератори
sale - Інверторні генератори
- Бензинові генератори
- Газобензинові генератори
- Дизельні генератори
- Дизельні електростанції
Дивитись все
Акумулятори
- Акумулятори гелеві (GEL)
- Акумулятори мультигелеві (AGM)
- Акумулятори свинцево-кислотні (AGM)
- Акумуляторні батареї LiFePO4
- Зарядні пристрої для АКБ
Дивитись все
Показати всі категорії
Готівкою | Післяплата | LiqPay | MonoPay | VISA/Mastercard | Миттєва розстрочка | Оплата частинами Приватбанк | Покупка частинами Monobank | Безготівково з ПДВ та без ПДВ
Нова Пошта | Meest | Укрпошта | Delivery | Доставка за адресою
*великогабаритні товари надсилаються після часткової передоплати
Обмін і повернення товару здійснюється протягом 14 днів після покупки, згідно закону України "Про захист прав споживачів"
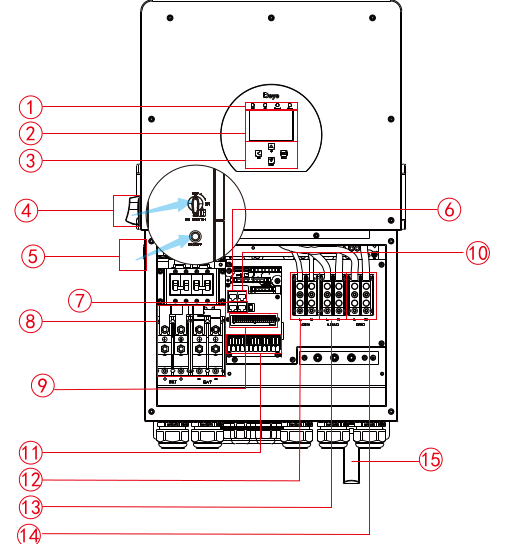
Гібридний інвертор (hybrid) Deye SUN-14K-SG01LP1-EU, 14кВ, однофазний , (MPPT 150-425/290A/АКБ 48V)Parallel є передовим однофазним пристроєм потужністю 14 кВт, розробленим для ефективної інтеграції сонячних панелей, акумуляторів та мережі в житлових і комерційних системах зберігання енергії. Він підтримує режими on-grid, off-grid та резервного живлення, з піковою потужністю 15,4 кВт та швидким перемиканням у 4 мс для безперервної роботи чутливих навантажень, як кондиціонери. Завдяки трьом MPPT-трекерам (по два входи на кожен) з робочим діапазоном 125–425 В інвертор оптимізує вироблення від сонячних панелей потужністю до 22 400 Вт, мінімізуючи втрати від затінення чи невідповідності. Максимальний струм заряду та розряду 250 А дозволяє швидко відновлювати акумулятори 48 В типу GEL, AGM, LiFePO4 чи Li-ion, з діапазоном напруги 40–60 В. Пристрій оснащений кольоровим сенсорним LCD-дисплеєм для локального керування та Wi-Fi модулем для віддаленого моніторингу через платформу Solarman. Підтримка паралельного з'єднання до 16 інверторів спрощує масштабування для великих проектів, таких як комерційні об'єкти. ККД до 97% забезпечує мінімальні втрати енергії, роблячи систему економічно вигідною для самоокупності. Інвертор сумісний з генераторами дизеля, дозволяючи зберігати енергію від них для автономної роботи. Захист IP65 та активне охолодження гарантують надійну експлуатацію в зовнішніх умовах, від пилу до вологи. Інтерфейси RS232, USB, RS485, Wi-Fi та CAN забезпечують інтеграцію з BMS акумуляторів та смарт-системами. Функція 6 програмованих періодів заряду/розряду та унікальний Smart Load оптимізують використання енергії за тарифами та піковим навантаженням. Цей інвертор є ідеальним рішенням для ретрофіту існуючих сонячних систем через DC- та AC-coupling, забезпечуючи автономність та енергоефективність.
| Виробник | Deye |
| Модель | SUN-14K-SG01LP1-EU |
| Країна походження | Китай |
| Тип ДБЖ | Гібридний |
| Кількість фаз | 1 |
| Робота в паралелі | Так |
| Тип зарядного пристрою | MPPT від сонячних панелей |
| Кількість MPPT | 3 (2+2+2) |
| ККД (%) | 97 |
| Інтерфейси | RS232, USB, RS485, Wi-Fi, CAN |
| Підтримка генератора | Так |
| Форма вхідного сигналу | Синусоїда |
| Номінальна вхідна напруга (В) | 220 |
| Номінальна вхідна потужність (Вт) | 14000 |
| Номінальна вихідна потужність (Вт) | 14000 |
| Пікова потужність (Вт, 5 сек) | 15400 |
| Вихідний струм (А) | 54.6 |
| Вихідна напруга (В) | 220 |
| Форма вихідного сигналу | Синусоїда |
| Частота вихідного сигналу (Гц) | 50/60 |
| Діапазон вхідної напруги АКБ (В) | 40–60 |
| Номінальна напруга АКБ (В) | 48 |
| Макс. струм заряду (мережа + сонце) (А) | 250 |
| Макс. струм заряду від мережі (А) | 250 |
| Макс. струм розряду АКБ (А) | 250 |
| Типи підтримуваних акумуляторів | GEL, AGM, LiFePO4, Li-ion |
| Тип охолодження | Активне |
| Номінальна потужність MPPT (Вт) | 14000 |
| Максимальна потужність MPPT (Вт) | 22400 |
| Робочий діапазон напруги MPPT (В) | 125–425 |
| Вхідний діапазон напруги MPPT (В) | 125–500 |
| Макс. напруга холостого ходу MPPT (В) | 500 |
| Вхідний струм MPPT (А) | 36 + 36 + 36 |
| Габарити (мм) | 464 × 763 × 282 |
| Маса (кг) | 59.8 |
| Робоча температура (°C) | 0 – +50 |
| Температура зберігання (°C) | 0 – +50 |
| Клас захисту | IP65 |

Я приймаю користувальницьку угоду




