Генератори
sale - Інверторні генератори
- Бензинові генератори
- Газобензинові генератори
- Дизельні генератори
- Дизельні електростанції
Дивитись все
Акумулятори
- Акумулятори гелеві (GEL)
- Акумулятори мультигелеві (AGM)
- Акумулятори свинцево-кислотні (AGM)
- Акумуляторні батареї LiFePO4
- Зарядні пристрої для АКБ
Дивитись все
Показати всі категорії
Готівкою | Післяплата | LiqPay | MonoPay | VISA/Mastercard | Миттєва розстрочка | Оплата частинами Приватбанк | Покупка частинами Monobank | Безготівково з ПДВ та без ПДВ
Нова Пошта | Meest | Укрпошта | Delivery | Доставка за адресою
*великогабаритні товари надсилаються після часткової передоплати
Обмін і повернення товару здійснюється протягом 14 днів після покупки, згідно закону України "Про захист прав споживачів"
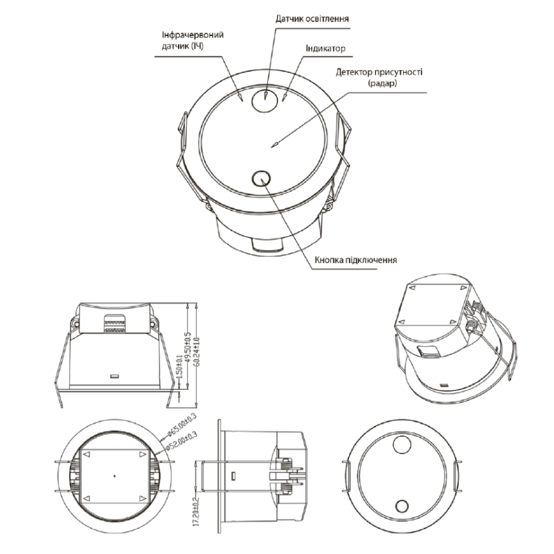
Детектор присутності людини з вбудованим датчиком освітлення Tervix Pro Line ZigBee Presence Human Detector with Light Sensor — призначений для виявлення активних та легких рухів, а також для детектування дихання людини, що дозволяє чітко ідентифікувати присутність чи відсутність людини. Детектор має вбудований датчик освітлення і призначений для монтажу в підвісну стелю. У детекторі використовується радарна технологія міліметрового діапазону хвиль із високим коефіцієнтом посилення 24 ГГц, що дозволяє визначити наявність/відсутність живого організму в межах дії детектора. Детектор працює в парі з ІЧ-сенсором, що гарантує його реагування тільки на живі об’єкти. Детектор працює працює по протоколу Zigbee. Розроблений для роботи з додатком Tervix. Працює з безпровідним контролером таким як Tervix Pro Line ZigBee Gateway Рекомендуємо використовувати мультимовний додаток Tervix для Android та для iPhone.
| Тип/модель | ZigBee Tervix Pro Line |
| Розмір | Ø 65мм, висота 49 мм |
| Робоча температура | 0...+50°C |
| Комплектація | 1. Детектор присутності людини з вбудованим датчиком освітлення 2. Інструкція по експлуатації |
| Безпровідний стандарт | ZigBee 3.0 |
| Живлення | 220-240В, 50/60Гц |
| Споживання | < 1Вт (230В) |
| Детектор | доплер радар |
| Частота роботи детектора | 24ГГц-24,25ГГц ISM band |
| Радіус детектування | активний рух: 3-4м, незначний рух: 3-4м, дихання: 2,5-3м |
| Регульована чутливість | 0, 25, 50, 100% (в додатку |
| Вбудовані додаткові датчики | ІЧ датчик, датчик освітлення |
| Роб. діапазон датчика освітлення | 5-1200 Lux |
| Висота монтажу детектора | 2,5-4м |
| Отвір для монтажу в стелі | Ø 55мм |
| Температура зберігання | -20...+80°C |
| Ел. під’єднання | клеми для дроту 0,75-1,5 мм |
| Вага | 59г |
| Гарантія | 24 міс. |

Я приймаю користувальницьку угоду




