Генератори
sale - Інверторні генератори
- Бензинові генератори
- Газобензинові генератори
- Дизельні генератори
- Дизельні електростанції
Дивитись все
Акумулятори
- Акумулятори гелеві (GEL)
- Акумулятори мультигелеві (AGM)
- Акумулятори свинцево-кислотні (AGM)
- Акумуляторні батареї LiFePO4
- Зарядні пристрої для АКБ
Дивитись все
Показати всі категорії
Готівкою | Післяплата | LiqPay | MonoPay | VISA/Mastercard | Миттєва розстрочка | Оплата частинами Приватбанк | Покупка частинами Monobank | Безготівково з ПДВ та без ПДВ
Нова Пошта | Meest | Укрпошта | Delivery | Доставка за адресою
*великогабаритні товари надсилаються після часткової передоплати
Обмін і повернення товару здійснюється протягом 14 днів після покупки, згідно закону України "Про захист прав споживачів"
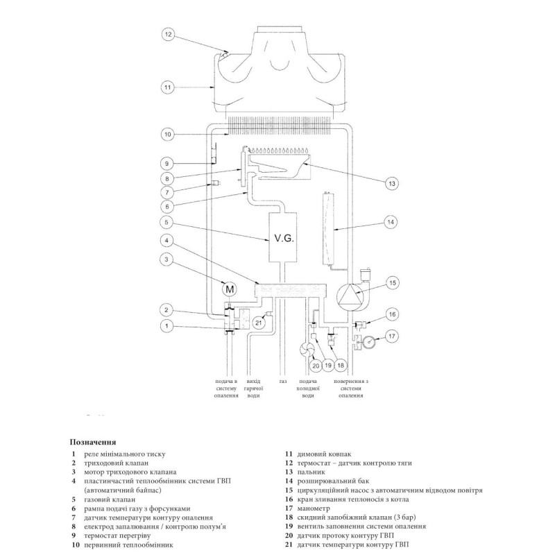
Газовий котел Baxi ECO FOUR 240i двоконтурний, димохідний — це надкомпактний двоконтурний котел четвертого покоління серії ECO Four, що успадкував надійність і ефективність моделей ECO-3 Compact. З відкритою камерою згоряння та потужністю до 24 кВт він забезпечує опалення приміщень площею до 240 м² та гаряче водопостачання. Котел вирізняється простотою в установці, експлуатації та обслуговуванні, що робить його зручним для користувачів. Широкий рідкокристалічний дисплей чітко відображає поточний стан і дозволяє легко налаштувати параметри. Адаптований до українських умов, він стабільно працює при зниженні тиску газу до 5 мбар. Первинний мідний теплообмінник із антикорозійним покриттям та вторинний пластинчастий теплообмінник із нержавіючої сталі забезпечують довговічність. Енергозберігаючий циркуляційний насос із вбудованим повітровідвідником підвищує ефективність системи. Вбудована погодозалежна автоматика підтримує підключення датчика вуличної температури для економії енергії. Система самодіагностики та іонізаційний контроль полум’я гарантують безпечну експлуатацію. Захист від замерзання, перегріву та блокування насоса підвищує надійність котла. Можливість підключення зовнішнього бойлера та сонячних колекторів розширює функціонал. Baxi ECO Four 240i — ідеальне рішення для тих, хто шукає компактний, економічний і надійний котел для опалення та ГВП.
| Макс. корисна теплова потужність | 24 кВт |
| Мін. корисна теплова потужність | 9.3 кВт |
| Макс. споживана теплова потужність | 26.3 кВт |
| Мін. споживана теплова потужність | 10.6 кВт |
| Макс. витрата природного газу | 2.78 м³/год |
| ККД (макс.) | 91.2 % |
| ККД при 30% потужності | 89.3 % |
| Ємність / тиск розширювального бака | 6 л / 0.8 бар |
| Камера згоряння | Відкрита |
| Діапазон температур у контурі ГВП | 35–60 °C |
| Продуктивність ГВП при Δt = 25 °C | 13.7 л/хв |
| Мін. витрата води в контурі ГВП | 2 л/хв |
| Макс. тиск у контурі ГВП | 8 бар |
| Діаметр димоходу | 120 мм |
| Електрична потужність | 80 Вт |
| Габарити (В x Ш x Г) | 730 x 400 x 299 мм |
| Пакувальні розміри (Ш x В x Г) | 490 x 830 x 340 мм |
| Вага нетто | 29 кг |

Інструкція Газовий котел Baxi ECO FOUR 240i двоконтурний, димохідний
| Країна бренду | Італія | |
| Отоплювана площа, кв.м | 201-350 | |
| Теплова потужність, кВт | 24 | |
| Тип димовидалення | Димохідний | |
| Тип котла | Конвекційний | |
| Кількість контурів | Двоконтурний | |
| Спосіб інсталяції | Настінний | |
Я приймаю користувальницьку угоду




