Генератори
sale - Інверторні генератори
- Бензинові генератори
- Газобензинові генератори
- Дизельні генератори
- Дизельні електростанції
Дивитись все
Акумулятори
- Акумулятори гелеві (GEL)
- Акумулятори мультигелеві (AGM)
- Акумулятори свинцево-кислотні (AGM)
- Акумуляторні батареї LiFePO4
- Зарядні пристрої для АКБ
Дивитись все
Показати всі категорії
Готівкою | Післяплата | LiqPay | MonoPay | VISA/Mastercard | Миттєва розстрочка | Оплата частинами Приватбанк | Покупка частинами Monobank | Безготівково з ПДВ та без ПДВ
Нова Пошта | Meest | Укрпошта | Delivery | Доставка за адресою
*великогабаритні товари надсилаються після часткової передоплати
Обмін і повернення товару здійснюється протягом 14 днів після покупки, згідно закону України "Про захист прав споживачів"
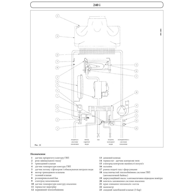
Газовий котел Baxi LUNA 3 COMFORT 240i двоконтурний, димохідний — це двоконтурний димохідний котел третього покоління серії Luna 3 Comfort із відкритою камерою згоряння, призначений для опалення та гарячого водопостачання. Завдяки потужності до 24 кВт він ефективно обігріває приміщення площею до 250 м². Котел оснащений передовою електронною платою, що забезпечує високу продуктивність і зручність керування. Знімна цифрова панель управління, яка виконує функцію кімнатного термостата, може бути встановлена в зручному місці, включаючи бездротовий варіант. Котел адаптований до українських умов і стабільно працює при зниженні тиску газу до 5 мбар. Первинний мідний теплообмінник із антикорозійним покриттям і вторинний пластинчастий теплообмінник із нержавіючої сталі гарантують довговічність. Енергозберігаючий тришвидкісний циркуляційний насос із автоматичним повітровідвідником підвищує ефективність системи. Вбудована погодозалежна автоматика з можливістю тижневого програмування забезпечує економію енергії. Система самодіагностики, іонізаційний контроль полум’я та захист від замерзання забезпечують безпеку та надійність. Гідравлічна група з латуні та турбінний витратомір підвищують надійність ГВП. Можливість підключення до сонячного контуру та бойлера розширює функціонал. Baxi Luna 3 Comfort 240i — це компактне, економічне та зручне рішення для комфортного опалення та гарячого водопостачання.
| Бренд | Baxi |
| Тип котла | Димохідний |
| Тип камери згоряння | Відкрита |
| Тип димоходу | Атмосферний |
| Тип палива | Природний газ, скраплений газ (переобладнання) |
| Тип розпалювання | Електронний |
| Тип тяги | Примусова |
| Кількість контурів | Двоконтурний |
| Спосіб встановлення | Настінний |
| Призначення | Побутові, для дому |
| Площа обігріву | 201–250 м² |
| Теплова потужність (макс.) | 24 кВт |
| Теплова потужність (мін.) | 10.60 кВт |
| Макс. температура теплоносія | 85 °C |
| Мін. температура теплоносія | 30 °C |
| ККД котла | 93 % |
| Витрата природного газу (макс.) | 2.78 м³/год |
| Мін. допустимий тиск газу | 0.50 бар |
| Об'єм розширювального бака | 8 л |
| Матеріал теплообмінника | Мідь |
| Матеріал теплообмінника ГВП | Мідь (вторинний — із нержавіючої сталі) |
| Наявність вбудованого бойлера | Ні |
| Продуктивність гарячої води | 13.7 л/хв (при Δt = 25 °C) |
| Вбудоване керування | Температурою теплоносія, температурою повітря |
| Управління | Електронне |
| Віддалене керування по Wi-Fi | Ні |
| Дисплей | Монохромний |
| Комплектація | Дисплей, циркуляційний насос, розширювальний бак, триходовий клапан ГВП |
| Тип циркуляційного насосу | Тришвидкісний |
| Клас захисту | IPX5D |
| Живлення | 230 V |
| Габарити (В x Ш x Г) | 730 x 400 x 299 мм |
| Вага нетто | 33 кг |
| Діаметр димаря | 120 мм |
| Гарантійний термін | 36 міс |
| Країна виробник | Італія |
Інструкція Газовий котел Baxi LUNA 3 COMFORT 240i двоконтурний, димохідний
| Країна бренду | Італія | |
| Отоплювана площа, кв.м | 201-350 | |
| Теплова потужність, кВт | 24 | |
| Тип димовидалення | Димохідний | |
| Тип котла | Конвекційний | |
| Кількість контурів | Двоконтурний | |
| Спосіб інсталяції | Настінний | |
Я приймаю користувальницьку угоду




