Генератори
sale - Інверторні генератори
- Бензинові генератори
- Газобензинові генератори
- Дизельні генератори
- Дизельні електростанції
Дивитись все
Акумулятори
- Акумулятори гелеві (GEL)
- Акумулятори мультигелеві (AGM)
- Акумулятори свинцево-кислотні (AGM)
- Акумуляторні батареї LiFePO4
- Зарядні пристрої для АКБ
Дивитись все
Показати всі категорії
Готівкою | Післяплата | LiqPay | MonoPay | VISA/Mastercard | Миттєва розстрочка | Оплата частинами Приватбанк | Покупка частинами Monobank | Безготівково з ПДВ та без ПДВ
Нова Пошта | Meest | Укрпошта | Delivery | Доставка за адресою
*великогабаритні товари надсилаються після часткової передоплати
Обмін і повернення товару здійснюється протягом 14 днів після покупки, згідно закону України "Про захист прав споживачів"
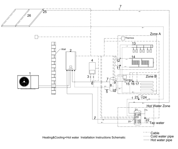
Тепловий насос інверторний Termojet 160HCR4T 15кВт 380V - спліт система розділені зовнішній та внутрішній блоки.завдяки своїй інтелектуальній системі управління тепловий насос TERMOJET може максимізувати точну співпрацю з потоковими допоміжними джерелами тепла, такими як газові котли, електричні нагрівачі тощо, для забезпечення ефективної та стабільної роботи один одного.
Щоб краще задовольнити різні потреби в опаленні, тепловий нacoc надає користувачеві різні режими для вибору: a. Охолодження, б. Обігрівання, с. Автоматично, буд. Гаряча вода, е. Охолодження + Гаряча вода, ф. Опалення + Гаряча вода, м. Авто + Гаряча вода. Сім режимів можуть охопити майже всі сценарії використання теплового насоса користувачами. Після встановлення тепловий насос може автоматично працювати відповідно до потреб користувача, позбавляючи його від проблем із регулярним налаштуванням режиму

| Мережа живлення, В/Ф/Гц | 380...415/3/50 |
| [Опалення] Температура повітря: 7°C/6°C, температура води: 30°C/35°C | |
| Теплопродуктивність, кВт | 4,67…15,57 |
| Вхідна потужність, кВт | 0,79…3,56 |
| COP | 5,91…4,37 |
| [Опалення] Температура повітря: -7°C, температура води: 30°C/35°C | |
| Теплопродуктивність, кВт | 11,81 |
| Вхідна потужність, кВт | 3,69 |
| COP | 3,20 |
| [Опалення] Температура повітря: 7°C/6°C, температура води: 50°C/55°C | |
| Теплопродуктивність, кВт | 2,74…13,70 |
| Вхідна потужність, кВт | 0,62…5,18 |
| COP | 4,42…2,64 |
| [Опалення] Температура повітря: -7°C, температура води: 50°C/55°C | |
| Теплопродуктивність, кВт | 10,40 |
| Вхідна потужність, кВт | 4,59 |
| COP | 2,27 |
| [Охолодження] Температура повітря (вхід/вихід): 35°C/-, температура води (вхід/вихід): 12°C/7°C | |
| Холодопродуктивність, кВт | 2,26…12,45 |
| Вхідна потужність, кВт | 0,56…4,95 |
| EER | 4,04…2,52 |
| [Гаряча вода] Температура повітря: 35°C/-, температура води: 12°C/7°C | |
| Теплопродуктивність, кВт | 17,12 |
| Вхідна потужність, кВт | 3,83 |
| COP | 4,47 |
| Інформація про внутрішній блок | |
| Електричний нагрівач, кВт | 3/6/9 |
| 3-ходовий клапан ГВП | Вбудовано |
| Розширювальний бак, л | 8 |
| Труби підключення (вода) | G1" |
| Вихід холодоагенту, мм | ф 15,88 |
| Вхід холодоагенту, мм | ф 9,52 |
| Номінальна витрата води, м³/год. | |
| Циркуляційна помпа | Частотна |
| Рівень звукового тиску дБ(А) на 1 м | 34 |
| Розмір нетто (LхWхH), мм | 450х285х786 |
| Клас водонепроникності | IPX1 |
| Інформація про зовнішній блок | |
| Марка компресора | Mitsubishi |
| Рівень звукового тиску дБ(А) на 1 м | 44…55 |
| Розмір нетто (LхWхH), мм | 1053х422х1360 |
| Клас водонепроникності | IPX4 |
| Загальна інформація | |
| Мережа живлення, В/Ф/Гц | 380...415/3/50 |
| ERP рівень (35°С) | А+++ |
| ERP рівень (55°С) | А++ |
| Максимальна споживча потужність, кВт | 14,8(5,8+9) |
| Максимальний робочий струм, А | 23,8(10,1+13,7) |
| Холодоагент | R32 |
| Робочий діапазон температур (°С) | -25…43 |
| Максимальна температура вихід. води (°С) | 60 |
| Захист від удару струмом | I |
Інструкція Тепловий насос інверторний Termojet 160HCR4T 15кВт 380V
Я приймаю користувальницьку угоду



