Генератори
sale - Інверторні генератори
- Бензинові генератори
- Газобензинові генератори
- Дизельні генератори
- Дизельні електростанції
Дивитись все
Акумулятори
- Акумулятори гелеві (GEL)
- Акумулятори мультигелеві (AGM)
- Акумулятори свинцево-кислотні (AGM)
- Акумуляторні батареї LiFePO4
- Зарядні пристрої для АКБ
Дивитись все
Показати всі категорії
Готівкою | Післяплата | LiqPay | MonoPay | VISA/Mastercard | Миттєва розстрочка | Оплата частинами Приватбанк | Покупка частинами Monobank | Безготівково з ПДВ та без ПДВ
Нова Пошта | Meest | Укрпошта | Delivery | Доставка за адресою
*великогабаритні товари надсилаються після часткової передоплати
Обмін і повернення товару здійснюється протягом 14 днів після покупки, згідно закону України "Про захист прав споживачів"
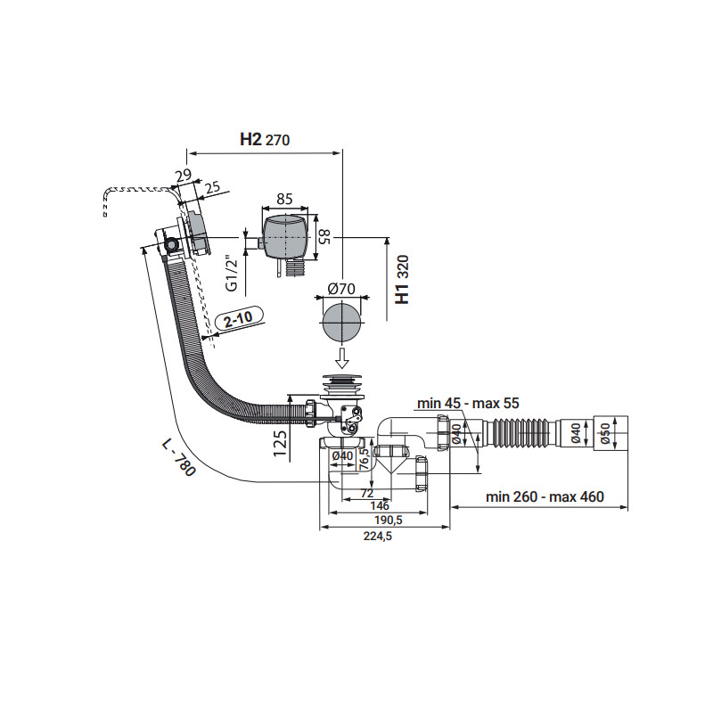
Сифон для ванної Zerix SV-02-B 580 напівавтомат, з ревізією, переливом - це високоякісний напівавтоматичний продукт чеського виробництва з гарантією 12 місяців, призначений для встановлення у ваннах та душових кабінах. Виріб має потужний гідрозакрив 60 мм, що забезпечує надійний захист від неприємних запахів з каналізації та ефективно справляється з відведенням води завдяки пропускній здатності 34 літри на хвилину. Конструкція сифона включає гофровану відвідну трубку довжиною 260-460 мм, яка легко адаптується до різних варіантів підключення до каналізації діаметром 40/50 мм. Виготовлений з міцного білого поліпропілену, сифон здатний витримувати температуру води до 95°C, що робить його сумісним з будь-якими системами водопостачання. Мінімальна висота для встановлення зібраного сифона становить 130 мм, що забезпечує компактність та зручність монтажу в різних умовах. У комплект входить надійна сітка з нержавіючої сталі, яка ефективно захищає від засмічення та спрощує обслуговування. Нарізний тип випуску забезпечує надійне та герметичне з'єднання з ванною, а наявність ревізії значно полегшує процес очищення та обслуговування. Напівавтоматична система керування стоком води робить використання сифона більш комфортним та сучасним порівняно з механічними аналогами.
| Виробник | Zerix |
| Колір | Білий |
| Гарантійний термін (міс) | 12 |
| Максимальна температура води (°C) | 95 |
| Мoдель | SV-02-B |
| Призначення | Для ванни, душу |
| Особливості | Гідрозакрив 60 мм; Відвідна гнучка трубка до каналізації завдовжки 260-460 мм; Діаметр трубки для під'єднання до каналізації 40/50 мм; Мінімальна висота необхідна для встановлення зібраного сифона 130 мм |
| Пропускна здатність (л/хв) | 34,00 |
| Країна бренду | Чехія |
| Тип | Гофрована (Сильфонне) |
| Торговельна марка | ZERIX |
| Вихід під пральну машину | Немає |
| Матеріал | Поліпропілен |
| Тип випуску | Нарізний |
Я приймаю користувальницьку угоду




