Генератори
sale - Інверторні генератори
- Бензинові генератори
- Газобензинові генератори
- Дизельні генератори
- Дизельні електростанції
Дивитись все
Акумулятори
- Акумулятори гелеві (GEL)
- Акумулятори мультигелеві (AGM)
- Акумулятори свинцево-кислотні (AGM)
- Акумуляторні батареї LiFePO4
- Зарядні пристрої для АКБ
Дивитись все
Показати всі категорії
Готівкою | Післяплата | LiqPay | MonoPay | VISA/Mastercard | Миттєва розстрочка | Оплата частинами Приватбанк | Покупка частинами Monobank | Безготівково з ПДВ та без ПДВ
Нова Пошта | Meest | Укрпошта | Delivery | Доставка за адресою
*великогабаритні товари надсилаються після часткової передоплати
Обмін і повернення товару здійснюється протягом 14 днів після покупки, згідно закону України "Про захист прав споживачів"
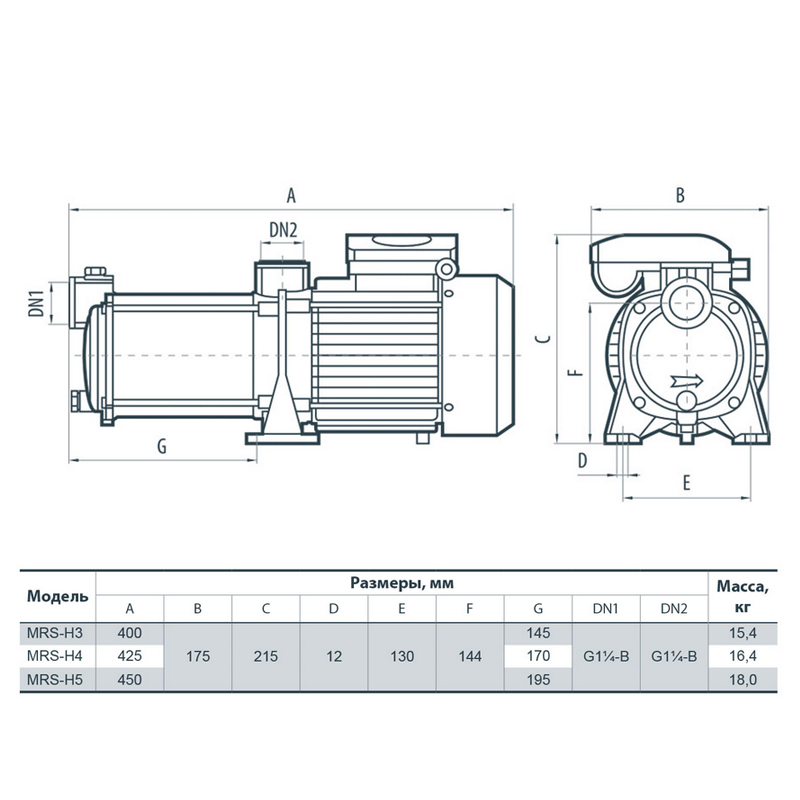
Електронасос серії MRS-H є багатоступінчастим та призначений для подачі води з відкритих водойм, колодязів, свердловин, накопичувальних ємностей. Використовується в системах поливу садів та городів, системах крапельного зрошення, системах підвищення тиску різного призначення. Завдяки конструкції гідравлічної частини електронасос має високий ККД та низький рівень шуму. Є хорошим рішенням для використання в станціях автоматичного підвищення тиску для систем водопостачання приватних будинків та котеджів.

Напірно-витратна діаграма:

| Вихідний патрубок | G1¼-B | |
| Вхідний патрубок | G1¼-B | |
| Максимальна висота всмоктування, м | 8 | |
| Максимальна продуктивність, м³ / год: | 8.40 | |
| Максимальна температура рідини, що перекачується, °C | 40 | |
| Максимальний напір | 58.0 | |
| Максимальний розмір часток, мм: | 0,2 | |
| Напруга живлення: | 220 В, 50 Гц | |
| Оптимальна продуктивність, м³ / год: | 4.80 | |
| Оптимальний напір, м: | 43.50 | |
| Принцип дії | відцентровий | |
| Споживана потужність, Вт | 1600 | |
| Тип приєднання патрубків | різьблення | |
| Тип рідини | чиста вода | |
| Тип розміщення | поверхневий | |
| Шнур електроживлення, довжина, м: | 1.5 | |
| Штрих код | 4823072200446 | |
Я приймаю користувальницьку угоду



