Генератори
sale - Інверторні генератори
- Бензинові генератори
- Газобензинові генератори
- Дизельні генератори
- Дизельні електростанції
Дивитись все
Акумулятори
- Акумулятори гелеві (GEL)
- Акумулятори мультигелеві (AGM)
- Акумулятори свинцево-кислотні (AGM)
- Акумуляторні батареї LiFePO4
- Зарядні пристрої для АКБ
Дивитись все
Показати всі категорії
Готівкою | Післяплата | LiqPay | MonoPay | VISA/Mastercard | Миттєва розстрочка | Оплата частинами Приватбанк | Покупка частинами Monobank | Безготівково з ПДВ та без ПДВ
Нова Пошта | Meest | Укрпошта | Delivery | Доставка за адресою
*великогабаритні товари надсилаються після часткової передоплати
Обмін і повернення товару здійснюється протягом 14 днів після покупки, згідно закону України "Про захист прав споживачів"
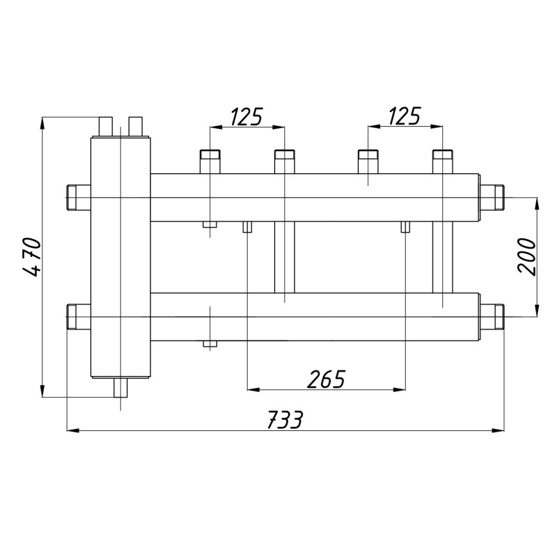
Колектор використовується в системах опалення, в яких необхідно розподілити теплоносій на кілька споживачів тепла з різними параметрами. В даний вид розподільних колекторів вбудований гідравлічний роздільник ГС-26 для забезпечення більш легкого монтажу та економії вільного простору в котельні. У комплект поставки входять кріплення до стіни.

| Підключення котла | 1 1/4" НР |
| Підключення контура опалення | 1" НР |
| Кількість виходів | 2 + 1 |
| Gmax | 6,35 м3/год |
| Робочий тиск | 6 бар |
| Qmax: ΔT=10°C | 60 кВт |
| Qmax: ΔT=20°C | 95 кВт |
Я приймаю користувальницьку угоду




