Генератори
sale - Інверторні генератори
- Бензинові генератори
- Газобензинові генератори
- Дизельні генератори
- Дизельні електростанції
Дивитись все
Акумулятори
- Акумулятори гелеві (GEL)
- Акумулятори мультигелеві (AGM)
- Акумулятори свинцево-кислотні (AGM)
- Акумуляторні батареї LiFePO4
- Зарядні пристрої для АКБ
Дивитись все
Показати всі категорії
Готівкою | Післяплата | LiqPay | MonoPay | VISA/Mastercard | Миттєва розстрочка | Оплата частинами Приватбанк | Покупка частинами Monobank | Безготівково з ПДВ та без ПДВ
Нова Пошта | Meest | Укрпошта | Delivery | Доставка за адресою
*великогабаритні товари надсилаються після часткової передоплати
Обмін і повернення товару здійснюється протягом 14 днів після покупки, згідно закону України "Про захист прав споживачів"
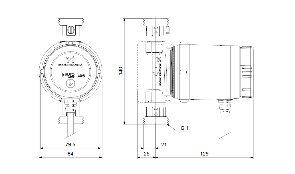
COMFORT 15-14 BXA PM - Високоефективні насоси модельного ряду Grundfos Comfort PM призначені для рециркуляції побутової гарячої води в будинках для однієї або двох сімей і мають без свинцевий корпус насосної частини, що підходить для роботи з питною водою, при цьому як привод у них використовуються високоефективні 12-полюсні однофазні електродвигуни на постійних магнітах.
Функція AUTOADAPT розроблена для побутових систем гарячого водопостачання, в яких головним джерелом нагрівання використовується бак для гарячої води. У побутових системах гарячого водопостачання з вбудованою функцією регулювання температури для підвищення та зниження температури в рециркуляційній трубі компанія Grundfos рекомендує використовувати моделі насосів COMFORT BX або COMFORT B. Для отримання всіх переваг моделі COMFORT AUTO з функцією AUTOADAPT компанія Grundfos рекомендує встановлювати дані насоси в система зберігання гарячої води.
Найменування продукту | COMFORT 15-14 BXA PM |
№ продукту | 97916749 |
EAN код | 5710626363742 |
Ціна без ПДВ | |
Технічні дані | |
Кількість швидкостей | 1 |
Максимальний натиск | 14 дм |
TF клас | 95 |
Дані на фірмовій табличці | CE,VDE,EAC,WEEE |
Клапан | насос із вбудований. ізолюючий. та зворотними клапанами |
Матеріали | |
Корпус насосу | Brass |
Робоче колесо | Композит |
Монтаж | |
Макс. робочий тиск | 10 бар |
Стандарт трубного приєднання | G |
З'єднання труб | 1 |
Монтажна довжина | 140 мм |
Рідина | |
Робоча рідина | Вода |
Діапазон температур рідини | 2 .. 95 °C |
Температура рідини, що перекачується | 60 °C |
густина | 983.2 кг/м³ |
Дані електроустаткування | |
Макс. споживана потужність | 7 Вт |
Частота мережі живлення | 50/60 Hz |
Номін.напруга | 230 В |
Струм при швидкості 3 | 0.07 A |
Розмір конденсатора - робота | 0.6 мкФ |
Ступінь захисту (IEC 34-5) | IP44 |
Клас ізоляції (IEC 85) | F |
Вбудований захист електродвигуна | ELECT. |
Тепловий захист | Опір захисту |
інше | |
Маса нетто | 1.18 кг |
Маса брутто | 1.28 кг |
Об'єм упаковки | 0.003 м³ |

| Гарантійний термін | 24 місяці | |
| Країна виробник | Німеччина | |
Я приймаю користувальницьку угоду




