Генератори
sale - Інверторні генератори
- Бензинові генератори
- Газобензинові генератори
- Дизельні генератори
- Дизельні електростанції
Дивитись все
Акумулятори
- Акумулятори гелеві (GEL)
- Акумулятори мультигелеві (AGM)
- Акумулятори свинцево-кислотні (AGM)
- Акумуляторні батареї LiFePO4
- Зарядні пристрої для АКБ
Дивитись все
Показати всі категорії
Готівкою | Післяплата | LiqPay | MonoPay | VISA/Mastercard | Миттєва розстрочка | Оплата частинами Приватбанк | Покупка частинами Monobank | Безготівково з ПДВ та без ПДВ
Нова Пошта | Meest | Укрпошта | Delivery | Доставка за адресою
*великогабаритні товари надсилаються після часткової передоплати
Обмін і повернення товару здійснюється протягом 14 днів після покупки, згідно закону України "Про захист прав споживачів"
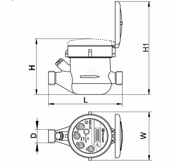
Лічильники води багатоструминні крильчаті MNK-UA призначені для вимірювання об'єму питної води, згідно з ГОСТом 2874, яка протікає трубопроводом. Лічильники можуть використовуватися для обліку, зокрема комерційного, води відповідно до чинних правил обліку, постачання та споживання води на об'єктах комунального господарства. Лічильники води MNK-UA можуть успішно використовуватися як під час первинного встановлення, так і під час заміни.
| Різновид за температурою | Для холодної води |
| Призначення | Загальнобудинковий |
| Тип | Мокрохід, Крильчатий |
| Гарантія | 3 роки |
| Температура води | від +5 до +30 °C |
| Тип приєднання | муфтове |
| Клас захисту | IP65 |
| Тип лічильника | Механічний |
| Приєднувальні розміри; DN ДУ | 20 |
| Метрологічний клас точності | B |
| Приєднання, дюйм | 3/4" |
| Матеріал корпуса | чавун |
| Номінальна витрата, Qn | 2,5 м3/год |
| Максимальний робочий тиск, ΔP | 10 бар |
| Максимальні витрати; Qmax | 5 м3/год |
| Тип конструкції | багатоструменевий |
| Установча довжина | 190 мм |
| Імпульсний вихід | є |
| Міжповірочний інтервал | 4 роки |
| Робоче положення | горизонтальне |
| Країна виробник | Україна |
| Вага | 1,5 кг |

Я приймаю користувальницьку угоду




