Генератори
sale - Інверторні генератори
- Бензинові генератори
- Газобензинові генератори
- Дизельні генератори
- Дизельні електростанції
Дивитись все
Акумулятори
- Акумулятори гелеві (GEL)
- Акумулятори мультигелеві (AGM)
- Акумулятори свинцево-кислотні (AGM)
- Акумуляторні батареї LiFePO4
- Зарядні пристрої для АКБ
Дивитись все
Показати всі категорії
Готівкою | Післяплата | LiqPay | MonoPay | VISA/Mastercard | Миттєва розстрочка | Оплата частинами Приватбанк | Покупка частинами Monobank | Безготівково з ПДВ та без ПДВ
Нова Пошта | Meest | Укрпошта | Delivery | Доставка за адресою
*великогабаритні товари надсилаються після часткової передоплати
Обмін і повернення товару здійснюється протягом 14 днів після покупки, згідно закону України "Про захист прав споживачів"
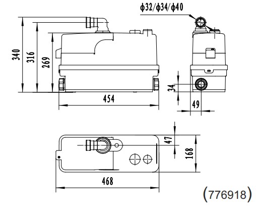
Станція каналізаційна LEO 3.0 WC601C (776918) 0.6кВт Hmax 8.5м Qmax 110л/хв 3 входи - Компактна автоматична каналізаційна установка оснащена насосом з ріжучим механізмом і призначена для перекачування побутових стічних вод. , пральних та посудомийних машин), де вони не можуть відводитися в каналізаційну систему самопливом. Каналізаційна станція має перекачувати: агресивні хімікати і розчинники, пластикові вироби, предмети особистої гігієни, металеві предмети, будівельний матеріал тощо.
| Бренд | Aquatica&leo |
| Потужність | 0.6 кВт |
| Максимальний напір | 8.5 |
| Продуктивність | 6.6 куб.м/год |
| Модель | WC-601C |
| Тип всмоктування | Самовсмоктувальний |
| Захист сухого ходу | З захистом від сухого ходу |
| Країна-виробник | Україна |
| Діаметр вхідного патрубку | 40 мм |
| Діаметр вихідного патрубку | 25 мм |
| Тип насоса | Сололіфт |
| Додаткові характеристики | |
| Максимальна температура рідини | до +50 ºC |
| Максимальна температура навколишнього середовища | до +45 ºC |
| Водневий показник (pH) | 4 - 10 |
| Вміст абразивних домішок | Не допускається |
| Режим роботи | S3-50% - 1 хв. (30 сек. увімкнено; 30 сек. вимкнуто) |
| Ріжуча насадка | Так |
| Гарантія | 12 міс |


Інструкція LEO 3.0 WC601C (776918) Станція каналізаційна (0.6кВт Hmax 8.5м Qmax 110л/хв 3 входи)
| Гарантійний термін | Від виробника | |
Я приймаю користувальницьку угоду




