Генератори
sale - Інверторні генератори
- Бензинові генератори
- Газобензинові генератори
- Дизельні генератори
- Дизельні електростанції
Дивитись все
Акумулятори
- Акумулятори гелеві (GEL)
- Акумулятори мультигелеві (AGM)
- Акумулятори свинцево-кислотні (AGM)
- Акумуляторні батареї LiFePO4
- Зарядні пристрої для АКБ
Дивитись все
Показати всі категорії
Готівкою | Післяплата | LiqPay | MonoPay | VISA/Mastercard | Миттєва розстрочка | Оплата частинами Приватбанк | Покупка частинами Monobank | Безготівково з ПДВ та без ПДВ
Нова Пошта | Meest | Укрпошта | Delivery | Доставка за адресою
*великогабаритні товари надсилаються після часткової передоплати
Обмін і повернення товару здійснюється протягом 14 днів після покупки, згідно закону України "Про захист прав споживачів"
Котел електричний Rocterm BW013 13кВт 220/380 Вт - це сучасний і надійний пристрій, призначений для опалення житлових і комерційних приміщень. Котел має потужність 13 кВт і може працювати в однофазному (220 В) або трифазному (380 В) режимі.
| Потужність теплова в режимі опалення (кВт) | 13 |
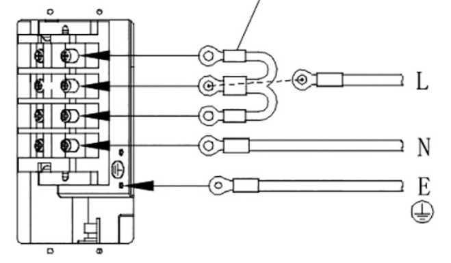
| Фаза (кількість) | 1 |
| Напруга | 230В |
| Номінальний струм (A) | 56,5 |
| Перетин дроту мм2 | 3×10 |
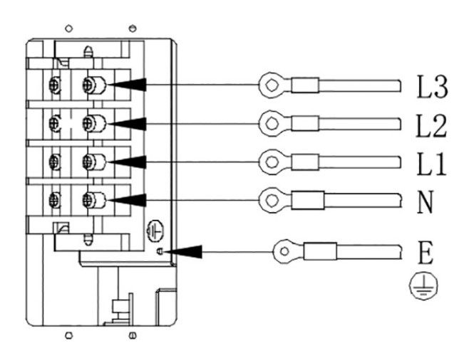
| Фаза (кількість) | 3 |
| Напруга | 400В |
| Номінальний струм (A) | 18.8 |
| Перетин дроту мм2 | 5×2.5 |
|
Діапазон температури у контурі опалення |
30°C~80°C (в контурі радіаторів) |
| 30°C~60°C ( в контурі теплої підлоги ) | |
| Максимальна температура води | 80°C |
| Діапазон налаштування різниці температур | 5~30°C |
| Температура запуску антифризу | <8°C |
| Функція антизамерзання | ≥10°C |
| Підключення плати триходового клапана | 230Vac, 0.5A |
| Вихідна напруга циркуляційного насоса | 230Vac, 0.5A |
| Ємність розширювального бака | 5L |
| Вхідне та вихідне підключення | G1/2” |
| З’єднання для впуску підпору | G3/4” |
| Габаритні розміри продукту | 665×358×218 мм |


| Вбудований насос | Так | |
| Країна бренду | Китай | |
| Наявність програматора | Так | |
| Отоплювана площа, кв.м | до 150 | |
| Розширювальний бак | Так | |
| Потужність, кВт | 13 | |
| Тип підключення | Однофазні | |
Теги: Електрокотли ROCTERM
Я приймаю користувальницьку угоду

