Генератори
sale - Інверторні генератори
- Бензинові генератори
- Газобензинові генератори
- Дизельні генератори
- Дизельні електростанції
Дивитись все
Акумулятори
- Акумулятори гелеві (GEL)
- Акумулятори мультигелеві (AGM)
- Акумулятори свинцево-кислотні (AGM)
- Акумуляторні батареї LiFePO4
- Зарядні пристрої для АКБ
Дивитись все
Показати всі категорії
Готівкою | Післяплата | LiqPay | MonoPay | VISA/Mastercard | Миттєва розстрочка | Оплата частинами Приватбанк | Покупка частинами Monobank | Безготівково з ПДВ та без ПДВ
Нова Пошта | Meest | Укрпошта | Delivery | Доставка за адресою
*великогабаритні товари надсилаються після часткової передоплати
Обмін і повернення товару здійснюється протягом 14 днів після покупки, згідно закону України "Про захист прав споживачів"
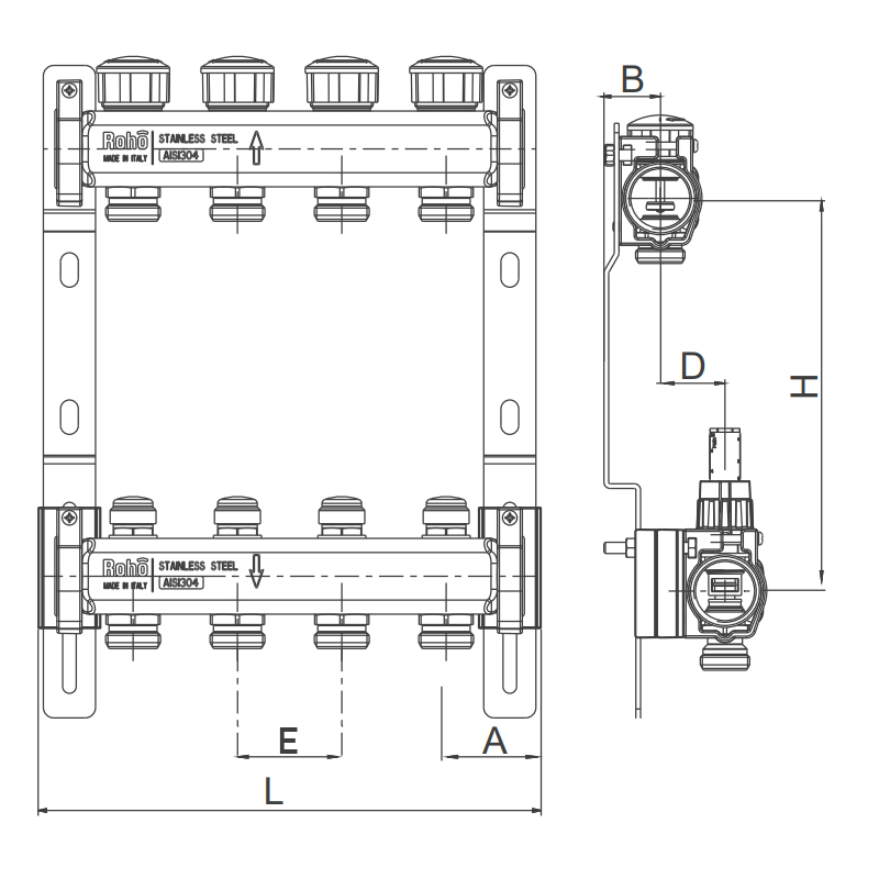
Колектор на 5 контурів Roho R805-05 - 1" з термостатичними та запірними клапанами - є високоякісним пристроєм для ефективного керування різними зонами опалення. Він дозволяє зручно керувати п'ятьма зонами опалення, підвищуючи ефективність та комфорт системи. Вбудовані термостатичні клапани забезпечують точне регулювання температури, а запірні клапани дозволяють легко контролювати потік води. Виготовлений з нержавіючої сталі AISI 304, колектор забезпечує високу стійкість до корозії та довговічність. Міжосьова відстань регулюється від 200 до 285 мм, що полегшує монтаж та налаштування. Колектор допускає максимальну температуру робочої рідини до 100°C, що розширює можливості застосування. Він витримує максимальний робочий тиск до 10 бар, що забезпечує стабільну та надійну роботу системи. Завдяки розмірам (A=40 мм, B=30 мм, d=34,5 мм, E=50 мм, H=242 мм, L=291 мм), колектор легко інтегрується у систему опалення. Різьбове приєднання з внутрішнім та зовнішнім різьбленням забезпечує швидку та зручну установку. Roho, відомий своєю високою якістю та надійністю продукції, виготовлений в Італії, що гарантує тривалу експлуатацію.
| Виробник | Roho |
| Країна виробник | Італія |
| A (мм) | 40,00 |
| B (мм) | 30,00 |
| d (мм) | 34,50 |
| E (мм) | 50,00 |
| G (дюйм) | 1 |
| H (мм) | 242,00 |
| L (мм) | 291,00 |
| Гарантійний термін (міс) | 24 |
| Кількість контурів | 5 |
| Максимальна температура робочої рідини (°C) | 100 |
| Максимальний робочий тиск (бар) | 10 |
| Матеріал корпусу | Нержавіюча сталь AISI 304 |
| Мoдель | R805-05 |
| Призначення | Для систем опалення |
| Особливості | Міжосьова відстань регулюється: 200-285 мм |
| Покриття | Нікель |
| Країна бренду | Італія |
| Тип приєднання | Різьбове |
| Тип з'єднання | Внутрішня-зовнішня |
| Торговельна марка | Roho |
| Колір | Сталевий |
Я приймаю користувальницьку угоду




