Генератори
sale - Інверторні генератори
- Бензинові генератори
- Газобензинові генератори
- Дизельні генератори
- Дизельні електростанції
Дивитись все
Акумулятори
- Акумулятори гелеві (GEL)
- Акумулятори мультигелеві (AGM)
- Акумулятори свинцево-кислотні (AGM)
- Акумуляторні батареї LiFePO4
- Зарядні пристрої для АКБ
Дивитись все
Показати всі категорії
Готівкою | Післяплата | LiqPay | MonoPay | VISA/Mastercard | Миттєва розстрочка | Оплата частинами Приватбанк | Покупка частинами Monobank | Безготівково з ПДВ та без ПДВ
Нова Пошта | Meest | Укрпошта | Delivery | Доставка за адресою
*великогабаритні товари надсилаються після часткової передоплати
Обмін і повернення товару здійснюється протягом 14 днів після покупки, згідно закону України "Про захист прав споживачів"
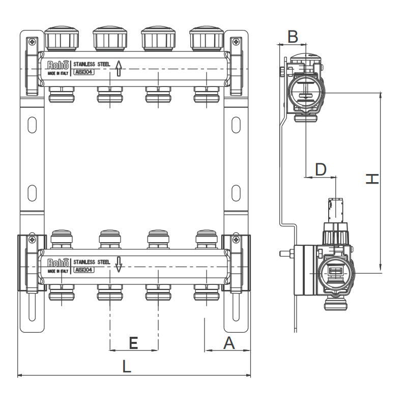
Колектор на 2 контури Roho R805-02 - 1" з термостатичними та запірними клапанами - це ефективне рішення для управління системами опалення. Він дозволяє зручно керувати двома зонами опалення, підвищуючи ефективність та гнучкість системи.
Колектор оснащений вбудованими термостатичними клапанами, які забезпечують точне регулювання температури, та запірними клапанами, що дозволяють легко контролювати потік води. Виготовлений з нержавіючої сталі AISI 304, він забезпечує високу стійкість до корозії та довговічність. Нікельоване покриття додає додаткового захисту від корозії та забезпечує тривалий термін служби колектора.
Міжосьова відстань регулюється від 200 до 285 мм, що полегшує монтаж та налаштування. Колектор допускає максимальну температуру робочої рідини до 100°C, що розширює його застосування. Він витримує максимальний робочий тиск до 10 бар, забезпечуючи стабільну роботу системи.
| Виробник | Roho |
| Країна виробник | Італія |
| A (мм) | 40,00 |
| B (мм) | 30,00 |
| d (мм) | 34,50 |
| E (мм) | 50,00 |
| G (дюйм) | 1 |
| H (мм) | 242,00 |
| L (мм) | 141,00 |
| Гарантійний термін (міс) | 24 |
| Кількість контурів | 2 |
| Максимальна температура робочої рідини (°C) | 100 |
| Максимальний робочий тиск (бар) | 10 |
| Матеріал корпусу | Нержавіюча сталь AISI 304 |
| Мoдель | R805-02 |
| Призначення | Для систем опалення |
| Особливості | Міжосьова відстань регулюється: 200-285 мм |
| Покриття | Нікель |
| Країна бренду | Італія |
| Тип приєднання | Різьбове |
| Тип з'єднання | Внутрішня-зовнішня |
| Торговельна марка | Roho |
| Колір | Сталевий |
Я приймаю користувальницьку угоду



