Генератори
sale - Інверторні генератори
- Бензинові генератори
- Газобензинові генератори
- Дизельні генератори
- Дизельні електростанції
Дивитись все
Акумулятори
- Акумулятори гелеві (GEL)
- Акумулятори мультигелеві (AGM)
- Акумулятори свинцево-кислотні (AGM)
- Акумуляторні батареї LiFePO4
- Зарядні пристрої для АКБ
Дивитись все
Показати всі категорії
Готівкою | Післяплата | LiqPay | MonoPay | VISA/Mastercard | Миттєва розстрочка | Оплата частинами Приватбанк | Покупка частинами Monobank | Безготівково з ПДВ та без ПДВ
Нова Пошта | Meest | Укрпошта | Delivery | Доставка за адресою
*великогабаритні товари надсилаються після часткової передоплати
Обмін і повернення товару здійснюється протягом 14 днів після покупки, згідно закону України "Про захист прав споживачів"
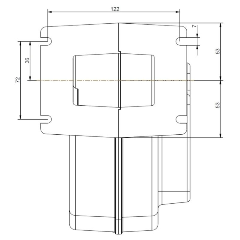
Вентилятори KG-Elektronik DP-02 призначені для нагнітання повітря в топки котлів центрального опалення, а також можуть використовуватись для загальної вентиляції приміщень та технологічних пристроїв. Допустима температура навколишнього середовища при роботі вентилятора від 0 до 40 градусів. Вентилятор KG-Elektronik DP-02 складається із двох частин алюмінієвого корпусу, до якого прикріплений асинхронний двигун. Вхідний отвір закритий сіткою. Випускний отвір має фланець з отворами для кріплення. Він також має металеву заслінку на випускному отворі для повітря, що запобігає зворотному потіку вихлопних газів з печі з CO, коли вентилятор не працює.
Я приймаю користувальницьку угоду




