Генератори
sale - Інверторні генератори
- Бензинові генератори
- Газобензинові генератори
- Дизельні генератори
- Дизельні електростанції
Дивитись все
Акумулятори
- Акумулятори гелеві (GEL)
- Акумулятори мультигелеві (AGM)
- Акумулятори свинцево-кислотні (AGM)
- Акумуляторні батареї LiFePO4
- Зарядні пристрої для АКБ
Дивитись все
Показати всі категорії
Готівкою | Післяплата | LiqPay | MonoPay | VISA/Mastercard | Миттєва розстрочка | Оплата частинами Приватбанк | Покупка частинами Monobank | Безготівково з ПДВ та без ПДВ
Нова Пошта | Meest | Укрпошта | Delivery | Доставка за адресою
*великогабаритні товари надсилаються після часткової передоплати
Обмін і повернення товару здійснюється протягом 14 днів після покупки, згідно закону України "Про захист прав споживачів"
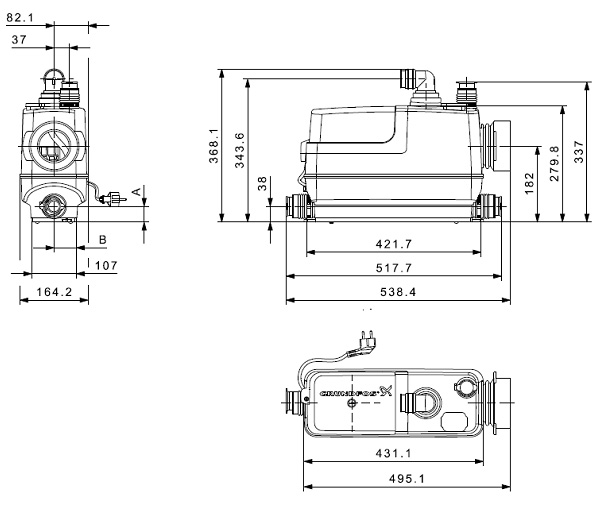
Компактна вузька автоматична каналізаційна насосна установка з вбудованим професійним різальним механізмом, готова до монтажу
Sololift2 CW С-3 - потужний насос із подрібнювачем, що має три виходи.
Використовується для перекачування побутових стічних вод з фекаліями від підвісного унітазу , душової кабіни , біде , умивальника - на вибір.
Монтаж може бути виконаний з використанням гнучких підводок та перехідників практично для будь-якого діаметра труб.
На зміну моделі Sololift+ CWC-3 (з серпня 2011 року) прийшла нова, досконаліша модель Sololift2 CWC-3.


- відкачування стічних вод, що містять туалетний папір та фекалії від унітазу, а також умивальника, душової кабіни, біде або пісуару, монтаж яких проведений нижче рівня каналізаційної магістралі (наприклад, у підвальному приміщенні);
- відкачування стічних вод, що містять туалетний папір та фекалії від унітазу, а також умивальника, душової кабіни, біде або пісуара у разі, коли немає можливості самопливного відведення каналізації через велику відстань до каналізаційної труби (наприклад, від горища).


Інструкція Каналізаційна установка Grundfos Sololift2 CWC-3 (97775316)
| Гарантійний термін | 24 місяці | |
| Країна виробник | Сербія | |
За три года ни разу не подвела, в офисе санузел и умывальники - все подключено к ней. Работает не громко, включается не сразу, через некоторое время после того как пошел слив воды. Запахов никаких не издает, все герметично.
Я приймаю користувальницьку угоду




