Генератори
sale - Інверторні генератори
- Бензинові генератори
- Газобензинові генератори
- Дизельні генератори
- Дизельні електростанції
Дивитись все
Акумулятори
- Акумулятори гелеві (GEL)
- Акумулятори мультигелеві (AGM)
- Акумулятори свинцево-кислотні (AGM)
- Акумуляторні батареї LiFePO4
- Зарядні пристрої для АКБ
Дивитись все
Показати всі категорії
Готівкою | Післяплата | LiqPay | MonoPay | VISA/Mastercard | Миттєва розстрочка | Оплата частинами Приватбанк | Покупка частинами Monobank | Безготівково з ПДВ та без ПДВ
Нова Пошта | Meest | Укрпошта | Delivery | Доставка за адресою
*великогабаритні товари надсилаються після часткової передоплати
Обмін і повернення товару здійснюється протягом 14 днів після покупки, згідно закону України "Про захист прав споживачів"
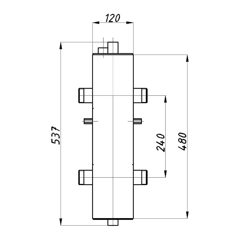
Гідрострілка TERMOJET ГС–27-1-1/2" - призначена для котелень малої потужності на основі одного газового або твердопаливного котла. В комплект поставки входять кріплення к стіні.
Гидрострілка (або гідравлічний роздільник) представляє собою пристрій, що є незамінним елементом якісного опалення. Це додатковий вузол, який характеризується особливою конструкцією, специфіка якої обумовлена кількістю контурів та іншими характеристиками котла.

| Діаметр підключення |
1 1/2" |
| Qmax: ΔT=10°C | 95 кВт |
| Qmax: ΔT=20°C | 145 кВт |
| Gmax | 9,25 м3/год |
| Висота | 550 мм |
| Ширина | 200 мм |
| Міжосьова відстань | 240 мм |
Я приймаю користувальницьку угоду




