Генератори
sale - Інверторні генератори
- Бензинові генератори
- Газобензинові генератори
- Дизельні генератори
- Дизельні електростанції
Дивитись все
Акумулятори
- Акумулятори гелеві (GEL)
- Акумулятори мультигелеві (AGM)
- Акумулятори свинцево-кислотні (AGM)
- Акумуляторні батареї LiFePO4
- Зарядні пристрої для АКБ
Дивитись все
Показати всі категорії
Готівкою | Післяплата | LiqPay | MonoPay | VISA/Mastercard | Миттєва розстрочка | Оплата частинами Приватбанк | Покупка частинами Monobank | Безготівково з ПДВ та без ПДВ
Нова Пошта | Meest | Укрпошта | Delivery | Доставка за адресою
*великогабаритні товари надсилаються після часткової передоплати
Обмін і повернення товару здійснюється протягом 14 днів після покупки, згідно закону України "Про захист прав споживачів"
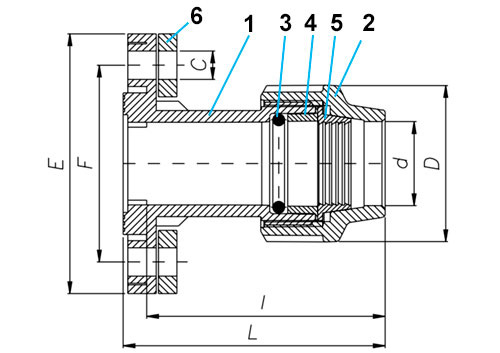
Фланець приєднувальний Unidelta Ø63 х 2 1/2 відноситься до цангових фітингів для пластикових труб ПЕ.
Використовується в трубопроводах для транспортування холодної питної води та інших нейтральних рідин при максимальній температурі робочого середовища Tmax 45 °C.
Виріб не підходить для використання з гарячою водою через певні обмеження в сферах застосування поліетиленових труб.
| Тип фітинга | Фланцеве з'єднання |
| Матеріал фітинга | Поліпропілен (ПП) |
| Марка матеріалу фітинга | PP-B (поліпропілен блок сополімер) |
| Покриття фітинга | Без покриття |
| Тип труби | Для поліетиленових труб |
| Номінальний діаметр DN (Ду) | 63 мм |
| Зовнішній діаметр труби (Дз) | 63 мм |
| Номінальний тиск PN (Ру) | 16 бар |
| Приєднання | Фланцеве, компресійне (затискне) |
| Тип приєднання | Цанга/фланець |
| Особливість конструкції | Розбірний, рівнопрохідний, з переходом на фланець |
| Застосування | Для водопроводу |
| Робоче середовище | Вода |
| Максимальна температура робочого середовища | 45°C |
| Виробник | Unidelta |
| Країна виробника | Італія |

Я приймаю користувальницьку угоду




