Генератори
sale - Інверторні генератори
- Бензинові генератори
- Газобензинові генератори
- Дизельні генератори
- Дизельні електростанції
Дивитись все
Акумулятори
- Акумулятори гелеві (GEL)
- Акумулятори мультигелеві (AGM)
- Акумулятори свинцево-кислотні (AGM)
- Акумуляторні батареї LiFePO4
- Зарядні пристрої для АКБ
Дивитись все
Показати всі категорії
Готівкою | Післяплата | LiqPay | MonoPay | VISA/Mastercard | Миттєва розстрочка | Оплата частинами Приватбанк | Покупка частинами Monobank | Безготівково з ПДВ та без ПДВ
Нова Пошта | Meest | Укрпошта | Delivery | Доставка за адресою
*великогабаритні товари надсилаються після часткової передоплати
Обмін і повернення товару здійснюється протягом 14 днів після покупки, згідно закону України "Про захист прав споживачів"
OEM - версія обладнання це обладнання, що продається без оригінальної коробки, документації, додаткових пристосувань для кріплення та інше. Даний варіант поставки дешевий, і багато хто вибирає саме цей варіант поставки, так як у всьому іншому обладнанні повністю відповідає версія для кінцевого користувача.
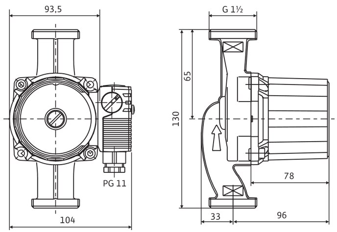
Wilo-Star-RS 25/6 130 OEM циркуляційний насос циркуляційний насос з мокрим ротором для установки в трубах з ручною триступеневої регулюванням частоти обертання. З стійким до струмів блокування електродвигуном. Корпус насоса з сірого чавуну (в залежності від типу може застосовуватися бронза), робоче колесо зі зміцненого скловолокном синтетичного матеріалу, вал з нержавіючої сталі з вугільними підшипниками ковзання з металевої просоченням. Серійне застосування в системах холодної води з температурою до -10 ° C. Надійність в експлуатації завдяки перфорованому валу і фільтруючого пристрою перед картриджем.
Wilo-Star-RS 25/6 130 OEM досить компактний і продуктивний, в більшості випадків застосовується для опалення приватних будинків. Цей насос можна віднести до «довгожителів» - його робочий ресурс продовжується завдяки тому, що охолодження мотора забезпечується за допомогою рідини. Крім того, Wilo-Star-RS 25/6 130 OEM дозволяє вручну регулювати частоту обертів двигуна за рахунок трипозиційного перемикача робочих режимів. Як наслідок, ви зможете контролювати і регулювати рівень енергоспоживання.
Представлений насос досить простий в установці. Монтувати його можна з різним положенням мотора: як з горизонтальним (за тієї умови, що двигун встановлюється «обличчям» вгору), так і з вертикальним. Працює Wilo-Star-RS 25/6 130 OEM досить тихо навіть при високих оборотах.
Системи опалення, промислові циркуляційні системи, системи подачі холодної води і системи кондиціонування.
| Напір максимальний | до 6 м |
| Електроживлення | 1 ~ 230 В, 50 Гц |
| Матеріал корпусу насоса | чавун |
| Призначення | опалення, охолодження і кондиціонування |
| Варіант приєднання | різьбове |
| Частота (Hz) | 50 |
| Максимальна подача (м³/год) | 4.2 |
| Макс гідростатичний напір (м) | 6.0 |
| Діаметр під"єднання труб (мм) | DN 25 |
| Діаметр під"єднання труб (дюйм) | Rp 1; G 1 1/2 |
| Робоче колесо | Синтетичний матеріал (PP - 40% GF) |
| Макс. температура перекачується середовища (°C) | -10 ... + 110 °C |
| Максимальна температура рідини (°C) | +110 °C |
| Діапазон температур перекачується (°C) | -10 ... + 110 °C |
| Діапазон темп-ри навколишнього середовища (°C) | 0 ÷ +40 |
| Кількість швидкостей | 3 |
| Країна бренду | Німеччина |
| Підводиться потужність при швидкості 1 (Вт) | 36 |
| Підводиться потужність при швидкості 2 (Вт) | 58 |
| Підводиться потужність при швидкості 3 (Вт) | 91 |
| Струм при частоті обертання 1 (А) | 0,18 |
| Струм при частоті обертання 2 (А) | 0,27 |
| Струм при частоті обертання 3 (А) | 0,40 |
| Макс. робочий тиск (бар) | PN 10 |
| Розмір конденсатора - робота мкФ / 400V | 2.0 |
| Клас енергоефективності | B |
| Клас захисту (IEC 34-5) | IP 44 |
| Клас ізоляції (IEC 85) | F |
| Вага, кг | 2.5 |
| Захист електродвигуна | не потрібно (стійкий до струмів блокування) |


Електродвигун в горизонтальному положенні. Можливі положення клемної коробки: 3, 6, 9 і 12 годин. При поставці клемна коробка знаходиться в положенні 3 години

Вийшов з ладу циркуляційній насос у котлі. Шукав такий, як був , щоб став на місце, нічого ге знаходилося. Звернувся до магазину допомогти з вирішенням питання - мені підібрали аналог, під'їхав за своїм, по місцю перевірив - гідравлічна частина така сама, також допомогли підключення до котла по живленню переставити, бо у рідного була "фішка" , а тут під затискачі.
Переваги: Оригінал Німеччина, допомога від менеджерів по підбору. Попередній відпрацював 5 років
Я приймаю користувальницьку угоду




