Генератори
sale - Інверторні генератори
- Бензинові генератори
- Газобензинові генератори
- Дизельні генератори
- Дизельні електростанції
Дивитись все
Акумулятори
- Акумулятори гелеві (GEL)
- Акумулятори мультигелеві (AGM)
- Акумулятори свинцево-кислотні (AGM)
- Акумуляторні батареї LiFePO4
- Зарядні пристрої для АКБ
Дивитись все
Показати всі категорії
Готівкою | Післяплата | LiqPay | MonoPay | VISA/Mastercard | Миттєва розстрочка | Оплата частинами Приватбанк | Покупка частинами Monobank | Безготівково з ПДВ та без ПДВ
Нова Пошта | Meest | Укрпошта | Delivery | Доставка за адресою
*великогабаритні товари надсилаються після часткової передоплати
Обмін і повернення товару здійснюється протягом 14 днів після покупки, згідно закону України "Про захист прав споживачів"
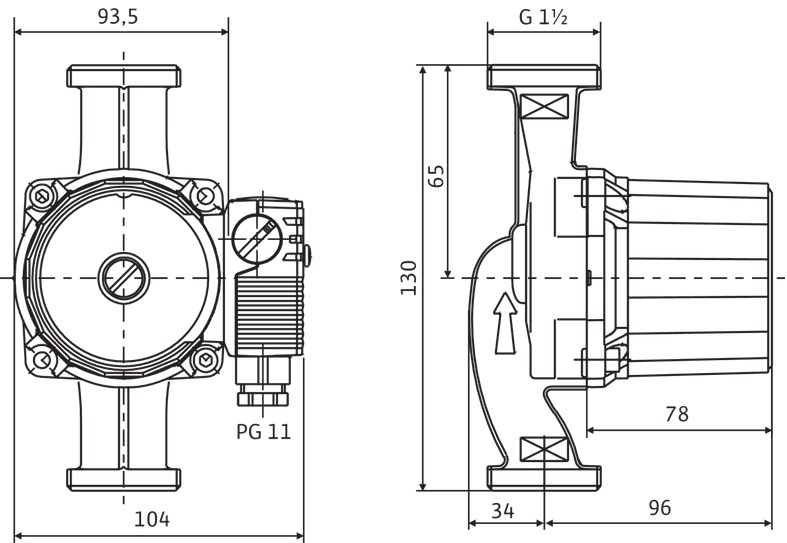
Wilo-Star-RS 25/7 циркуляційний насос з мокрим ротором для установки в трубах з ручною триступеневої регулюванням частоти обертання. З стійким до струмів блокування електродвигуном. Корпус насоса з сірого чавуну (в залежності від типу може застосовуватися бронза), робоче колесо зі зміцненого скловолокном синтетичного матеріалу, вал з нержавіючої сталі з вугільними підшипниками ковзання з металевої просоченням. Серійне застосування в системах холодної води з температурою до -10 ° C. Надійність в експлуатації завдяки перфорованому валу і фільтруючого пристрою перед картриджем.
Системи опалення, промислові циркуляційні системи, системи подачі холодної води і системи кондиціонування.
| Напір максимальний | до 7 м |
| Електроживлення | 1 ~ 230 В, 50 Гц |
| Матеріал корпусу насоса | чавун |
| Призначення | опалення, охолодження і кондиціонування |
| Варіант приєднання | різьбове |
| Частота (Hz) | 50 |
| Максимальна подача (м³/год) | 5.4 |
| Макс гідростатичний напір (м) | 7.0 |
| Монтажна довжина (мм) | 130 |
| Діаметр під"єднання труб (мм) | DN 25 |
| Діаметр під"єднання труб (дюйм) | Rp 1; G 1 1/2 |
| Робоче колесо | Синтетичний матеріал (PP - 40% GF) |
| Макс. температура перекачується середовища (°C) | -10 ... + 110 °C |
| Максимальна температура рідини (°C) | +110 °C |
| Діапазон температур перекачується (°C) | -10 ... + 110 °C |
| Діапазон темп-ри навколишнього середовища (°C) | 0 ÷ +40 |
| Кількість швидкостей | 3 |
| Країна бренду | Німеччина |
| Підводиться потужність при швидкості 1 (Вт) | 48 |
| Підводиться потужність при швидкості 2 (Вт) | 68 |
| Підводиться потужність при швидкості 3 (Вт) | 92 |
| Струм при частоті обертання 1 (А) | 0,30 |
| Струм при частоті обертання 2 (А) | 0,42 |
| Струм при частоті обертання 3 (А) | 0,58 |
| Макс. робочий тиск (бар) | PN 10 |
| Клас енергоефективності | D |
| Клас захисту (IEC 34-5) | IP 44 |
| Клас ізоляції (IEC 85) | F |
| Вага, кг | 2.88 |
| Захист електродвигуна | не потрібно (стійкий до струмів блокування) |


Я приймаю користувальницьку угоду




