Генератори
sale - Інверторні генератори
- Бензинові генератори
- Газобензинові генератори
- Дизельні генератори
- Дизельні електростанції
Дивитись все
Акумулятори
- Акумулятори гелеві (GEL)
- Акумулятори мультигелеві (AGM)
- Акумулятори свинцево-кислотні (AGM)
- Акумуляторні батареї LiFePO4
- Зарядні пристрої для АКБ
Дивитись все
Показати всі категорії
Готівкою | Післяплата | LiqPay | MonoPay | VISA/Mastercard | Миттєва розстрочка | Оплата частинами Приватбанк | Покупка частинами Monobank | Безготівково з ПДВ та без ПДВ
Нова Пошта | Meest | Укрпошта | Delivery | Доставка за адресою
*великогабаритні товари надсилаються після часткової передоплати
Обмін і повернення товару здійснюється протягом 14 днів після покупки, згідно закону України "Про захист прав споживачів"
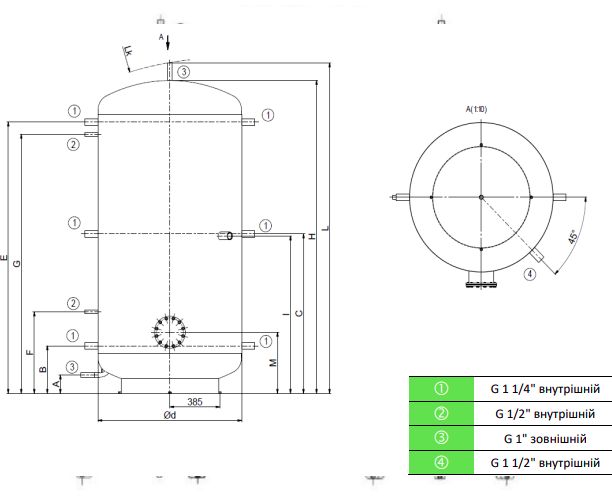
Теплоакумулятор Drazice NAD 1500 v1 (без ізоляції) – це високоякісна буферна ємність від чеського виробника, призначена для накопичення тепла в системах опалення. Виготовлений із міцної холоднокатаної сталі з емалевим покриттям, бак забезпечує довговічність і стійкість до корозії. Об’єм 1500 літрів дозволяє ефективно працювати з великими опалювальними системами, включаючи теплові насоси, твердопаливні котли та сонячні колектори. Конструкція передбачає можливість встановлення фланцевого нагрівального елементу TPK, хоча фланець у стандартній комплектації заглушений. Патрубки G 6/4" забезпечують легке підключення до системи опалення. Циліндрична форма та підлоговий монтаж спрощують встановлення в технічних приміщеннях. Без ізоляції тепловтрати становлять 165 кВт⋅г/24 год, тому рекомендується додатково придбати ізоляцію Neodul. Бак не призначений для гарячої господарської води, а використовується виключно для опалювальної води. Виріб відповідає європейським стандартам якості та має гарантію 60 місяців. Drazice NAD 1500 v1 – надійне рішення для оптимізації роботи опалювальних систем.
| Країна реєстрації бренду | Чеська Республіка |
| Призначення | Для теплових насосів |
| Об'єм, л | 1500 |
| Монтаж | Підлоговий |
| Режим роботи | Опалення |
| Форма | Циліндрична |
| Підведення води | Збоку |
| Максимальна температура, °C | 90 |
| Робочий тиск, бар | 3 |
| Матеріал бака | Сталь |
| Технологічні особливості | Без теплообмінника |
| Колекції | NAD |
| Виробництво | Чеська Республіка |
| Комплектація | Буферна ємність, інструкція |
| Тепловтрати | 165 кВт⋅г/24г |
| Висота | 1906 мм |
| Ширина | 1100 мм |
| Глибина | 1100 мм |
| Вага | 204 кг |
| Гарантія | 60 міс. |

| A | 135 |
| B | 350 |
| C | 910 |
| d | 1100 |
| E | 1470 |
| F | 600 |
| G | 1380 |
| H | 1778 |
| I | 895 |
| L | 1906 |
| Lk | 1925 |
| M | 450 |
• Акумулюючий бак • Гарантійний талон
Інструкція Теплоакумулятор Drazice NAD 1500 v1 (без ізоляції)
Я приймаю користувальницьку угоду




