Генератори
sale - Інверторні генератори
- Бензинові генератори
- Газобензинові генератори
- Дизельні генератори
- Дизельні електростанції
Дивитись все
Акумулятори
- Акумулятори гелеві (GEL)
- Акумулятори мультигелеві (AGM)
- Акумулятори свинцево-кислотні (AGM)
- Акумуляторні батареї LiFePO4
- Зарядні пристрої для АКБ
Дивитись все
Показати всі категорії
Готівкою | Післяплата | LiqPay | MonoPay | VISA/Mastercard | Миттєва розстрочка | Оплата частинами Приватбанк | Покупка частинами Monobank | Безготівково з ПДВ та без ПДВ
Нова Пошта | Meest | Укрпошта | Delivery | Доставка за адресою
*великогабаритні товари надсилаються після часткової передоплати
Обмін і повернення товару здійснюється протягом 14 днів після покупки, згідно закону України "Про захист прав споживачів"
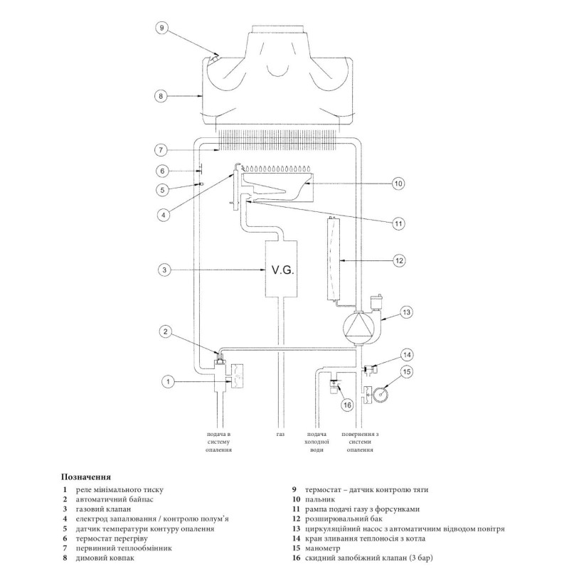
Газовий котел Baxi ECO FOUR 1.240i одноконтурний, димохідний — це одноконтурний димохідний котел четвертого покоління серії ECO Four, що продовжує традиції компактних і надійних моделей ECO-3 Compact. Він оснащений відкритою камерою згоряння та має потужність до 24 кВт, що забезпечує ефективне опалення приміщень. Котел вирізняється простотою в установці, експлуатації та обслуговуванні, що робить його зручним для користувачів. Широкий рідкокристалічний дисплей відображає поточний стан котла та дозволяє легко налаштовувати параметри. Пристрій адаптований до українських умов і стабільно працює при зниженні тиску газу до 5 мбар. Первинний мідний теплообмінник покритий антикорозійним складом, що підвищує його довговічність. Котел оснащений енергозберігаючим циркуляційним насосом із вбудованим повітровідвідником для ефективної роботи системи. Вбудована погодозалежна автоматика дозволяє підключати датчик вуличної температури для оптимізації опалення. Система самодіагностики та іонізаційний контроль полум’я забезпечують безпечну експлуатацію. Котел має захист від замерзання, перегріву та блокування насоса, що підвищує його надійність. Є можливість підключення зовнішнього бойлера для гарячої води та сонячних колекторів. Baxi ECO Four 1.240i ідеально підходить для тих, хто шукає компактне, економічне та надійне рішення для опалення.
| Бренд | Baxi |
| Країна реєстрації бренду / виробництво | Італія |
| Тип котла | Конвекційний |
| Вид котла | Димохідний |
| Кількість контурів | Двоконтурний |
| Площа опалення | до 240 м² |
| Рівень шуму | 50 дБ |
| Комплектація | Газовий котел, інструкція з експлуатації |
| Керування | Електронне |
| Особливості моделі | Захист від замерзання, циркуляційний насос, розширювальний бак |
| Підключення пристроїв | Бойлер |
| Додатково | Підходить для радіаторів, модуляція потужності |
| Мін. теплова потужність | 6.3 кВт |
| Макс. теплова потужність | 24 кВт |
| ККД | 91.2 % |
| Живлення / напруга | 230 V |
| Клас захисту | IPX5D |
| Температура теплоносія (мін/макс) | 25 °C / 80 °C |
| Температура води (мін/макс) | 30 °C / 45 °C |
| Тип палива | Природний газ, скраплений газ (переобладнання) |
| Витрата природного газу | 2.78 м³/год |
| Монтаж | Настінний |
| Тип тяги | Природна |
| Тип розпалювання | Електронний |
| Камера згоряння | Відкрита |
| Тип димоходу | Атмосферне |
| Матеріал теплообмінника (основного/ГВП) | Мідь / Нержавіюча сталь |
| Об'єм розширювального бака | 6 л |
| Габарити (Ш x В x Г) | 400 x 730 x 299 мм |
| Вага | 29 кг |
| Колір | Білий |
| Гарантія | 36 міс. |
| Сервісне обслуговування | 1 раз на рік |

Інструкція Газовий котел Baxi ECO FOUR 1.240i одноконтурний, димохідний
| Країна бренду | Італія | |
| Отоплювана площа, кв.м | 201-350 | |
| Теплова потужність, кВт | 24 | |
| Тип димовидалення | Димохідний | |
| Тип котла | Конвекційний | |
| Кількість контурів | Одноконтурний | |
| Спосіб інсталяції | Настінний | |
Я приймаю користувальницьку угоду




