Генератори
sale - Інверторні генератори
- Бензинові генератори
- Газобензинові генератори
- Дизельні генератори
- Дизельні електростанції
Дивитись все
Акумулятори
- Акумулятори гелеві (GEL)
- Акумулятори мультигелеві (AGM)
- Акумулятори свинцево-кислотні (AGM)
- Акумуляторні батареї LiFePO4
- Зарядні пристрої для АКБ
Дивитись все
Показати всі категорії
Готівкою | Післяплата | LiqPay | MonoPay | VISA/Mastercard | Миттєва розстрочка | Оплата частинами Приватбанк | Покупка частинами Monobank | Безготівково з ПДВ та без ПДВ
Нова Пошта | Meest | Укрпошта | Delivery | Доставка за адресою
*великогабаритні товари надсилаються після часткової передоплати
Обмін і повернення товару здійснюється протягом 14 днів після покупки, згідно закону України "Про захист прав споживачів"
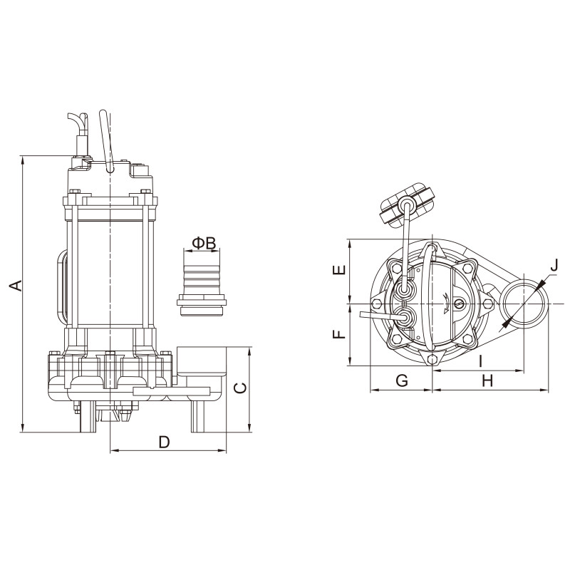
Фекальний насос OPERA WQD 7-8-0.75QGF з ріжучим механізмом призначений для перекачування брудної води з твердими включеннями. Відцентровий принцип дії та вбудований ріжучий механізм дозволяють ефективно обробляти рідину без ризику засмічення. Насос оснащений поплавковим вимикачем, що автоматично контролює рівень води, і підключається під шланг для зручності використання. Модель забезпечує оптимальний баланс продуктивності та напору, підходить для приватного і промислового застосування.
| Продуктивність, м³/год | 7–18 |
| Напір, м | 8–13 |
| Потужність, Вт | 750 |
| Напруга живлення, В | 220 |
| Вага, кг | 23 |
| Вихідний патрубок, дюйм | 2 |
| Матеріал ріжучого механізму | Сталь |
| Матеріал робочого колеса | Чавун |
| Наявність ріжучого механізму | Так |
| Поплавковий вимикач | Так |
| Тип підключення | Під шланг |
| Максимальна глибина занурення, м | 5 |
| Максимальна температура рідини, °С | 40 |
| Тип рідини | Брудна вода |
| Гарантія, місяців | 12 |
| Країна реєстрації ТМ | Україна |
Я приймаю користувальницьку угоду




