Генераторы
sale - Бензиновые генераторы
- Газобензиновые генераторы
- Дизельные генераторы
- Инверторные генераторы
- Дизельные электростанции
Смотреть все
Аккумуляторы
- Аккумуляторы гелевые (GEL)
- Аккумуляторы мультигелевые (AGM)
- Аккумуляторные батареи LiFePO4
- Аккумуляторы свинцово-кислотные (AGM)
- Зарядные устройства для АКБ
Смотреть все
Источники бесперебойного питания
- ИБП для роутеров
- ИБП с правильной синусоидой
- ИБП линейно-интерактивные
- ИБП Smart Online
Мобильные солнечные зарядки, электростанции
- Портативные зарядные станции
- Портативные солнечные панели
Смотреть все категории
Стальные радиаторы
Наличными | Наложенный платеж | LiqPay | MonoPay | VISA/Mastercard | Мгновенная рассрочка Оплата частями ПриватБанка | Покупка по частям Monobank | Безналично с НДС и без НДС
Новая Почта | Meest | Укрпочта | Delivery | Доставка по адресу
*крупногабаритные товары присылаются после частичной предоплаты
Обмен и возврат товара осуществляется в течение 14 дней после покупки согласно закону Украины "О защите прав потребителей"
Счетчик ирригационный Zenner WI-ZF Ду100 может использоваться для технологического учета воды в трубопроводах систем водоснабжения и орошения. Серия WI-ZF подходит для учета промышленной (технической) воды, а также сточных вод, не содержащих больших механических примесей и жира.
Счетчики с импульсным выходом могут применяться в качестве первичных преобразователей затрат в составе автоматизированных систем учета и дозировки воды. Счетчики имеют специальную конструкцию измерительного механизма с тангенциальной крыльчаткой, которая размещается в верхней части измеряемого потока воды, что повышает надежность работы крыльчатки при наличии в воде таких составляющих как песок и т.д. Счетчик легко справляется с загрязнением до 30%. При очень сильном загрязнении рекомендуется дополнительно устанавливать наружные фильтры перед счетчиком.
Счетчик модели WI-N подготовлен под установку импульсного выхода или радионакладки для последующей коммуникации с разными системами дистанционного считывания данных со счетчиков воды. У счетчика модели WI-ZF отсутствует возможность передачи данных. Этот счетчик имеет защиту от внешнего магнитного поля, а конструкция показывающего устройства – защиту от проникновения твердых предметов, пыли и воды.
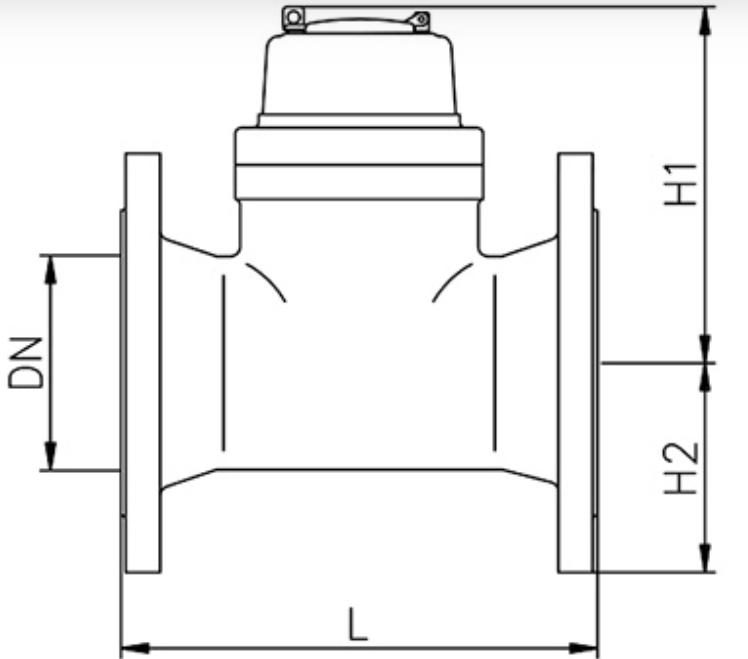
| Серия/тип | WI-ZF (Woltman, сухоходный турбинный счетчик) |
| Назначение | Холодная вода, сточные и ирригационные системы |
| Номинальный диаметр (Ду) | 100 мм (4") |
| Монтажная длина (L) | 250 мм |
| Рабочее давление (PN) | 16 бар (есть исполнение PN25/PN40) |
| Номинальный расход Q3 | 125 м³/год |
| Максимальный расход Q4 | 250 м³/год |
| Минимальный расход Q1 | ~12 м³/час |
| Переходный расход Q2 | ~30 м³/час |
| Диапазон показателей | до 9 999 999 м³ |
| Цена наименьшего деления | 0,005 м³ |
| Температурный диапазон | 0,1–50 °C |
| Высота H1 | 260 мм |
| Высота H2 | 105 мм |
| Общая высота H1+H2 | 257 мм |
| Высота установки блока H3 | 266 мм |
| Диаметр фланца D | 220 мм |
| Количество болтов | 8 × M16 |
| Вес | ~19 кг |
| Защита | IP68 – сухоходный роликовый механизм |
| Особенности | Защищенный роликовый механизм, возможность импульсного выхода (Reed/NK), пригодный для дистанционного считывания |

Я принимаю пользовательское соглашения
