Генератори
sale - Інверторні генератори
- Бензинові генератори
- Газобензинові генератори
- Дизельні генератори
- Дизельні електростанції
Дивитись все
Акумулятори
- Акумулятори гелеві (GEL)
- Акумулятори мультигелеві (AGM)
- Акумулятори свинцево-кислотні (AGM)
- Акумуляторні батареї LiFePO4
- Зарядні пристрої для АКБ
Дивитись все
Показати всі категорії
Готівкою | Післяплата | LiqPay | MonoPay | VISA/Mastercard | Миттєва розстрочка | Оплата частинами Приватбанк | Покупка частинами Monobank | Безготівково з ПДВ та без ПДВ
Нова Пошта | Meest | Укрпошта | Delivery | Доставка за адресою
*великогабаритні товари надсилаються після часткової передоплати
Обмін і повернення товару здійснюється протягом 14 днів після покупки, згідно закону України "Про захист прав споживачів"
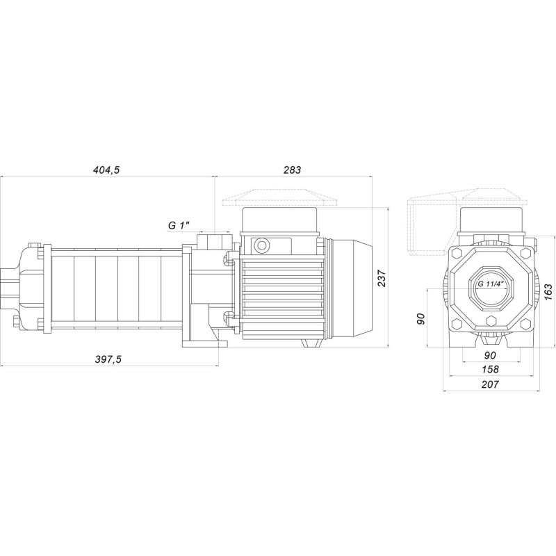
Насос відцентровий горизонтальний багатоступінчастий OP-32/10 2,2 кВт SAER (8 м3/год, 91,5 м)
.Насоси серії OP - це горизонтальні відцентрові нормально всмоктуючі насоси з кількома робочими колесами. Вони застосовуються для перекачування чистої води та хімічно неагресивних рідин у приватному господарстві, для автоматичної подачі в малі та середні ємності для садівництва, при зрошенні. Крім того, серія OP, завдяки своїм напірним характеристикам, може бути використана як головний насос у складі автоматичної насосної станції (АНС).
Конструктивні характеристики.
• Напірний патрубок виготовлений із чугуну GJL250
• Всмоктуючий патрубок виготовлений із чугуну GJL250
• Сектор кожуха з дифузором із нержавіючої сталі AISI304
• Робоче колесо із нержавіючої сталі AISI304
• Торцеве ущільнення – оксид алюмінію-графіт-EPDM
• Вал ротора з нержавіючої сталі AISI431
• Ступінь захисту IP44 (за запитом IP55).
• Клас ізоляції F
• Однофазне виконання: 220-230V 50 Гц, термозахист за запитом.
• Всмоктуючий та напірний патрубок – різьбові.
Технічні характеристики
• Номінальна потужність: 2,2 кВт
• Максимальний напір: 91.5 м
• Максимальний обсяг подачі: 8 м3/год
• Кількість робочих коліс -10
• Діаметр всмоктуючого патрубка - 1 1/4"
• Діаметр напірного патрубка - 1"
• Максимальний робочий тиск (максимально допустимий тиск, приймаючи до уваги суму максимального тиску на всмоктуванні та подачі при нульовій подачі):
при температурі рідини, що перекачується до 45°С – 13 бар
при температурі рідини від 45 ° С до 90 ° С - 6 бар
• Температура рідини: від -15°С до +90°С
• Максимальна температура довкілля: 40°С
• Допустимі гідравлічні значення згідно з UNI / ISO 9906 діє до: 2012 клас 3B, Електричні властивості відповідають нормам CEI.
• Робочі параметри забезпечують тривалий термін служби насоса при перекачуванні чистої води з густиною 1000 кг/куб.м.
| Вага, кг | 0.000000 | |
| Країна виробник | Італия | |
| Країна реєстрації бренду | Італия | |
| Об'єм (м³) | 0.000000 | |
| Потужність | 2,2 кВт. | |
Я приймаю користувальницьку угоду




